首页 > 考研 > 真题题库 > 江苏考研 > 苏州考研 > 2008年江苏苏州科技学院结构力学考研真题

2008年江苏苏州科技学院结构力学考研真题(Word版)

时间:2022-03-29 13:45:00   来源:无忧考网     [字体:小 中 大]

【文档名称】 2008年江苏苏州科技学院结构力学考研真题(Word版).doc

【文档格式】 Word版

【文档下载】 点击下载WORD文档

【文档预览】 无忧考网整理发布2008年江苏苏州科技学院结构力学考研真题(Word版),前五页预览如下:


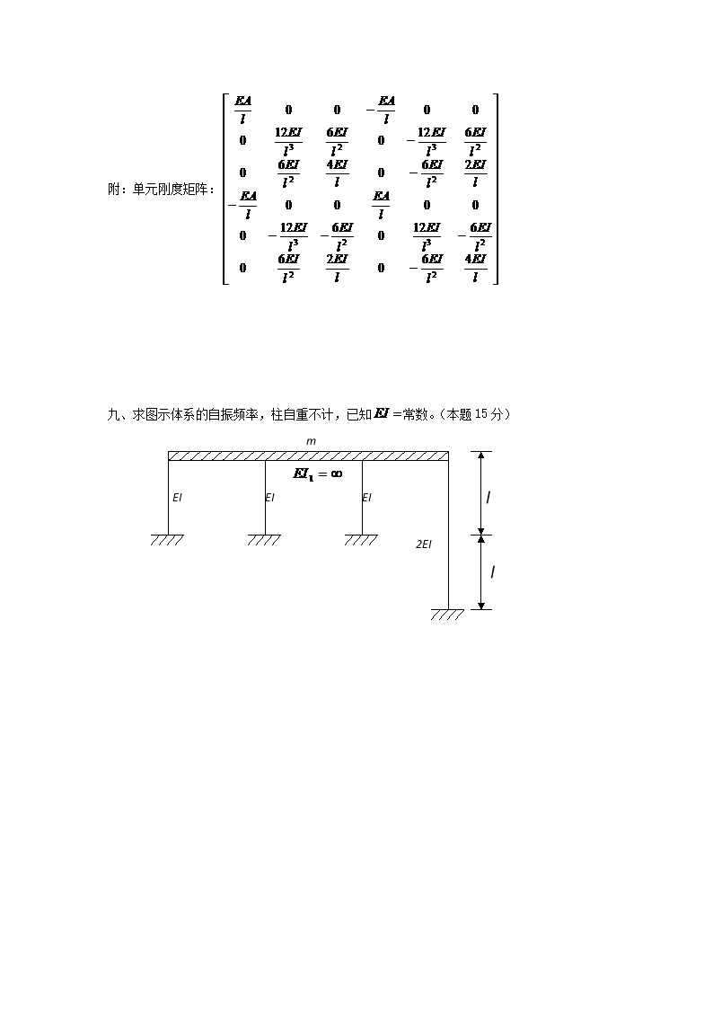
2008年江苏苏州科技学院结构力学考研真.doc
立即下载Word高清文档,方便收藏和打印
编辑推荐:
下载Word文档
=考研试题推荐=
  • 2023年江苏扬州大学作物栽培学与作物育种学考研真题A卷
  • 2023年江苏扬州大学专业基础综合考研真题A卷
  • 2023年江苏扬州大学遗传学考研真题A卷
  • 2023年江苏扬州大学新闻与传播专业基础考研真题A卷
  • 2023年江苏扬州大学体育综合考研真题A卷
  • 2023年江苏扬州大学食品分析考研真题A卷
  • 2023年江苏扬州大学烹饪综合考研真题A卷
  • 2023年江苏扬州大学建筑设计基础考研真题A卷
  • 查看考研全部真题>>
考研江苏热点文章排行榜
  • 江苏考研时间2025年考试时间及科目:2024年1
  • 江苏2025年考研网上报名时间公布 预报名入口10